امتحان نهائي فيزياء-توجيهي اشرف سلامة
امتحان نهائي فيزياء-توجيهي اشرف سلامة
عدد الاسئلة : 50 أسئلة
امتحان نهائي فيزياء-توجيهي اشرف سلامة
00 : 00 دقيقة
أعتبر : , ,
1- تصطدم كرة كتلتها تسير بسرعة باتجاه المحور السيني الموجب بكرة اخرى كتلتها تسير بسرعة باتجاه المحور السيني السالب إذا كان التصادم مرناً وفي بعد واحد فإن مجموع الطاقة الحركية للكرتين بعد التصادم مباشرة بوحدة الجول هو
2- صندوقان يستقران على سطح أفقيٍ أملس . أثّرت في كل منهما القّوة المحصلة نفسُها باتّجاه محور للفترة الزمنية نفسها .إذا علمت أن كتلة الصندوق أكبر من كتلة الصندوق ; فأي العلاقات الآتية صحيحة في نهاية الفترة الزمنية
3- يركض عمر شرقا بسرعة , ويقفز في عربة كتلتُها تتحرك شرقا بسرعة مقدارها إذا علمت أن كتلة عمر ; فما مقدار سرعة حركة عمر والعربة معًا واتّجاهها
4- يتحرك جسم كتلته بسرعة فيصطدم افقياً بجسم اخر له نفس الكتلة وساكن ويلتحم معه فما الطاقة الضائعة
6- كرة كتلتها تقترب افقياً من مضرب لاعب بسرعة وترتد عنه بالاتجاه المعاكس بسرعة إذا دام التلامس فكم يساوي مقدار متوسط القوة التي يؤثر بها المضرب على الكرة بوحدة
7- اثرت قوة مقدارها على ساق متجانسه قابلة للدوران حول النقطة كما في الشكل إذا كان مقدار عزم القوة المؤثرة على الساق يساوي فإن طول ذراع القوة له يساوي

8- تستخدم سلمى مفك براغي لفك برغيٍ من ِخزانتها ولم تتمكن من ذلك .يجب على سلمى استخدام مفك براغي يكون مقبضه
9- الشكل المجاور يبيّن قوتين متساويتين مقدارا ومتعاكستين اتجاها تؤثّران على بُعٍد متساو من مركز كتلة جسٍم موجوٍد على سطح أملس .أي الجمل الآتية تصف بشكل صحيحٍ حالة الجسم الحركيّة عند اللحظة المبيّنة

10- يجلس خالد وعاهد على طرفي لعبة متزنة أفقيا ، تتكون من قضيب ٍّ فلزي منتظم يرتكز عند نقطة في منتصفه. إذا كان بعد خالد عن نقطة الارتكاز، فإن بعد عاهد عن النقطة نفسها بوحدة يساوي
5- جسمان حيث كتله تساوي امثال كتله والطاقة الحركية لهما متساوية فإن
*أقرأالفقرة الآتية، ثم أُجب عن السؤالين (11,12) . يوضح الشكل المجاور مسطرة مترية نصفها خشب ونصفها الآخر فولاذ. بداية؛ المسطرة قابلة للدوران حول محور عمودي عليها عند نهايتها الخشبية (النقطة O) ، أنظر الشكل (A) وأثرت فيها بقوة عند نهايتها الفولاذية (النقطة a) . بعد ذلك؛ جعلت المسطرة قابلة للدوران حول محور عمودي عليها عند نهايتها الفولاذية، (النقطة ) , أنظرالشكل (B)، وأثرت فيها بالقوة () نفسها عند نهايتها الخشبية (النقطة).

11- ي العلاقات الآتية صحيحة لعزمي القصور الذاتي للمسطرتين حول محوري دورانهما
12- أي العلاقات الآتية صحيحة حول مقداري التسارع الزاوي للمسطرتين حول محوري دورانهما :
13- إذا كان فإن
14- سلكين من مادتين مختلفتين طول الأول ضعف طول الثاني ونصف قطر الأول ضعف نصف قطر الثاني , ومقاومه الأول تساوي مقاومة الثاني ، فإن النسبة بين مقاومية الموصل الاول الى الثاني
15- لاكمال الدارة الكهربائية الموضحة في الشكل المجاور والحصول على اكبر تيار كهربائي ممكن ، نصل بين النقطتين طرفي احد الموصلات النحاسية الاتية


16- يبين الشكل المجاور اربع مقاومات متصلة معا ، ثلاث منها متساوية ومقدار كل منها والرابعة مقدارها . أي المفاتيح يتم فتحة للحصول على اكبر مقاومة ممكنة بين النقطتين

17- في الشكل المجاور مقدار التيار بوحدة الأمبير

18- مصباح كهربائي مكتوب عليه فإن الطاقة الحرارية المتولدة فيه خلال من تشغيله هي
19- الشكل المجاور يمثل التغيرات في الجهد في دارة كهربائية بالاعتماد على الشكلين فإن مقدار المقاومة يساوي

20- في الشكل إذا كان فإن قيمة بوحدة فولت , بوحدة على الترتيب

21- يبين الشكل المجاور موصل مستقيم يحمل تيار كهربائي يمر بروتون من النقطة بسرعة ويمر بروتون اخر من النقطة بسرعة أي العلاقات الآتية صحيحة فيما يتعلق بالقوة المغناطيسية المؤثرة في كل من البروتونين

22- معتمداً على البيانات المثبتة في الشكل المجاور وإذا علمت أن المجال المغناطيسي المحصل عند النقطة يساوي , فإن مقدار التيار الكهربائي المار في الموصل بالأمبير يساوي

23- في الشكل المجاور اتجاه القوة المغناطيسية المؤثرة على السلك

24- موصل مستقيم طوله , وكتلته , معلق بنابضين مهملي الكتلة في مجال مغناطيسي , كما في الشكل المجاور بحيث يكون الموصل جزءا من دارة كهربائية فإن مقدار التيار الكهربائي و اتجاهه في الموصل إذا كانت قوة الشد في النابضين تساوي 0

25- الشكل المجاور حلقة دائرية نصف قطرها فإذا كانت المسافة بين مركز الحلقة والسلك المستقيم اللانهائي تساوي وكان مقدار المجال المغناطيسي عند مركز الحلقة يساوي صفر :
فإن النسبة بين

26- يتحرك موصل مستقيم طوله بسرعة ثابتة مقدارها عمودياً على مجال مغناطيسي مقداره , إذا كان الموصل جز ًءا من دارة كهربائية كما هو موضح في الشكل المجاور فإن مقدار التيار المار في الموصل بالأمبير واتجاهه :

27- يوضح الشكل المجاور اتجاه القوة الدافعة الحثية الذاتية المتولدة في محث ان التيار الكهربائي المار في الملف

28- موصل مستقيم يمر فيه تيار كهربائي بالاتجاه المبين في الشكل، عند تحريك الحلقة لجهة اليمين، فإن التيار الكهربائي الحثي المتولد فيها يكون

29- يوضح الشكل المجاور حلقة موصلة متعامدة مع مجال مغناطيسي ، تنتقل من الموضع الى الموضع خلال إذا علمت أن التدفق المغناطيسي الذي يخترق الحلقة عند الموضع يساوي وعند الموضع يساوي . فإن متوسط القوة الدافعة الكهربائية الحثية المتولدة في الحلقة بوحدة (فولت) ، واتجاه التيار الحثي في الحلقة على الترتيب عد النظر اليها من الاعلى :

30- بالاعتماد على الشكل المجاور عند مضاعفة تردد مصدر فرق الجهد في دارة ماذا يحدث لكل من على الترتيب

31- يبين الشكل المجاور حلقة تتصل ببطارية , ونصفها السفلي موضوع في مجال مغناطيسي منتظم ؛ اتجاهه قد يكون عموديا على الصفحة للداخل او للخارج , ومقداره قد يتزايد أو يتناقص . في أي الحالات الثلاث يكون اتجاه القوة الدافعه الكهربائية الحثية المتولدة في الحلقة باتجاه القوة الدافعة الكهربائية للبطارية :

32- الشكل البياني الجاور يمثل تغير التيار المتردد بالنسبة الى الزمن ان التيار اللحظي يعبر عنه بالعلاقة الاتية :

33- بالاعتماد على الشكل المجاور وباهمال فرق الجهد على طرفي الثنائي في حالة الانحياز الأمامي التيار المار في كل مقاومة بالأمبير

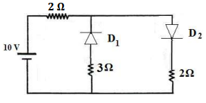
34- اعتمادا على الشكل أي المصابيح يضيئ :

35- دارة تتكون من مقاومة ومواسع ومحث موصول على التوالي بمصدر فرق جهد متردد جهده الفعال وتردده الزاوي محاثة المحث التي تجعل للتيار الفعال أكبر قيمة وقيمة التيار الفعال العظمى بـ , على الترتيب
36- شدة الطاقة المنبعثة من جسم أسود درجة حرارته مقاربة لدرجة حرارة الشمس تكون :
37- يوضح الشكل المجاور العلاقة البيانية بين تردد الضوء الساقط على فلزين مختلفين والطاقة الحركية العظمى للإلكترونات المنبعثة فإن

38- سقط ضوء طول موجته على سطح فلز فانطلقت إلكترونات ضوئية بطاقة حركية عظمى وعندما سقط ضوء آخر طول موجته انطلقت إلكترونات ضوئية بطاقة حركية عظمى إن إقتران الشغل لمادة مهبط الخلية (بوحدة الإلكترون فولت ) يساوي
39- جسيمان لهما نفس طاقة الحركة ، فكان طول الموجة المرافقة للأول يساوي ثلاثة أضعاف طول الموجة المرافقة للثاني , فيكون
40- أقل طاقة بوحدة الكترون فولت تكفي لإثارة ذرة الهيدرو جين من المستوى الثالث تساوي
41- إلكترون في مستوى الاثاره الثالث لذرة هيدروجين الزخم الزاوي له بدلالة ثابت بدلالة يساوي
42) نواة نظير عنصر غير مستقر , تقع ضمن سلسلة اضمحلال . بعد سلسلة من التحولات أطلقت أربعة جسيمات بيتا السالبة وجسيم ألفا واحدا , فإن النواة الناتجة تكون
43- عمر النصف لعنصر مشع 140 يوما ، فإن عدد الأيام التي تمر حتى يضمحل من عدد الأوية الأصلية
44- معتمداً على البيانات المثبتة في الشكل المجاور والذي يبين الجزء الأخير من إحدى سلاسل الإضمحلال الإشعاعي الطبيعي، والتي تنتهي بنظير الرصاص المستقر عدد جسيمات ألفا وبيتا المنبعثة من اضمحلال نواة الرصاص غير المستقر الى نواة الرصاص المستقر

45- يمثل الشكل المجاور رسما تخطيطيا لأحد تفاعلات الإندمج النووي المعادلة النووية الصحيحة التي تعبر عن هذا التفاعل هي

46- في لمعادلة النووية الأتية () يعبر الرمز عن
47- تمثل المعادلة الاتية : تحول نواة عنصر الراديوم الى نواة عنصر الرادون , معتمدا على المعادلة , فإن عدد البروتونات وعدد النيوترونات في نواة الرادون (Z)و (N) على الترتيب , هما
48- ظير مشع نشاطيته الاشعاعية الان و وثابت الاضمحلال له . حتى تصبح نشاطيته الاشعاعية , فإن المدة الزمنية بوحدة دقيقة اللازمة لذلك تساوي
49 - تمثل المعادلة الاتية تفاعل اندماج نووي : (), بافتراض أن كتل الجسيمات والنوى بودة كتل ذرية كما في الجدول الاتي , وأن وحدة الكتل الذرية تكافئ () , فإن مقدار طاقة التفاعل بوحدة مليون إلكترون فولت ( ) يساوي

50 - عند قذف نواة يورانيوم بنيوترون بطئ , فإنها تنشطر الى نواتين وينبعث ثلاثة نيوترونات . إحدى النواتين هي نواة () , والنواة الأخرى , هي :